TORX® is recognized as one of the three most efficient fastening systems because of their ability to transfer greater torque, reduce load and virtually eliminate tool slippage.
| Input Drive Size: |
1/2" |
| Drive Shape: |
Square |
| Type: |
TORX® Socket |
| Length: |
40mm |
| Output Size: |
E22 |
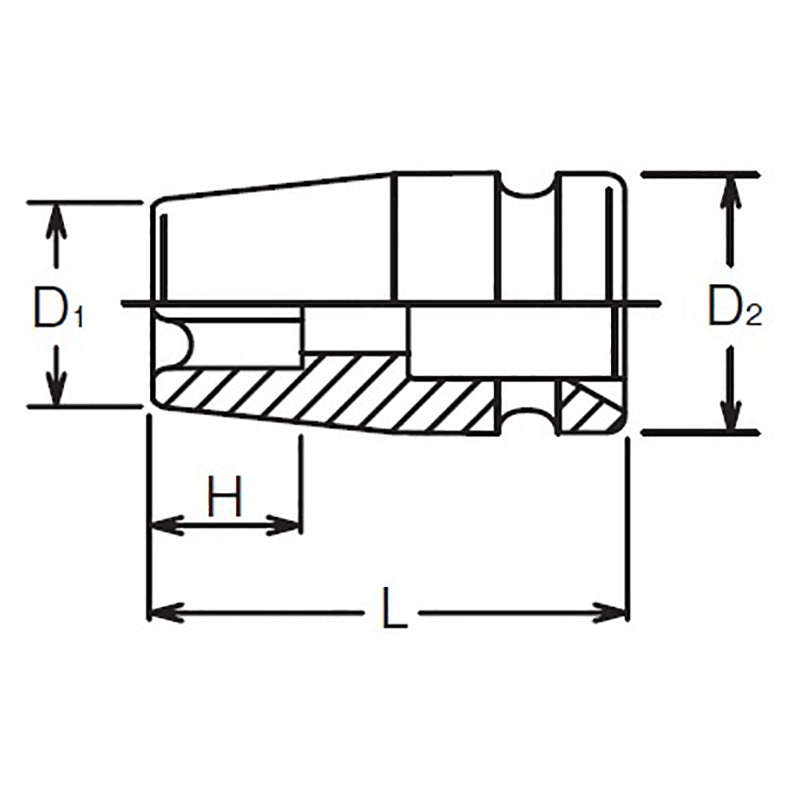
Product Dimension (Refer Line Drawing Image):
| D1 Size: |
26.2mm |
| D2 Size: |
30mm |
| H Size: |
15.5mm |
| L Size: |
40mm |
